Index of /bitsavers/pdf/southwestTechnicalProducts/CT-1024/CT-S/


../
CT-S_r2_bot.jpg                                    09-Mar-2023 18:28             1138317
CT-S_r2_top.jpg                                    09-Mar-2023 18:28             1232482
CTS.jpg                                            10-Mar-2023 18:04              222733
CTS_Assembly.pdf                                   10-Mar-2023 18:05              246028
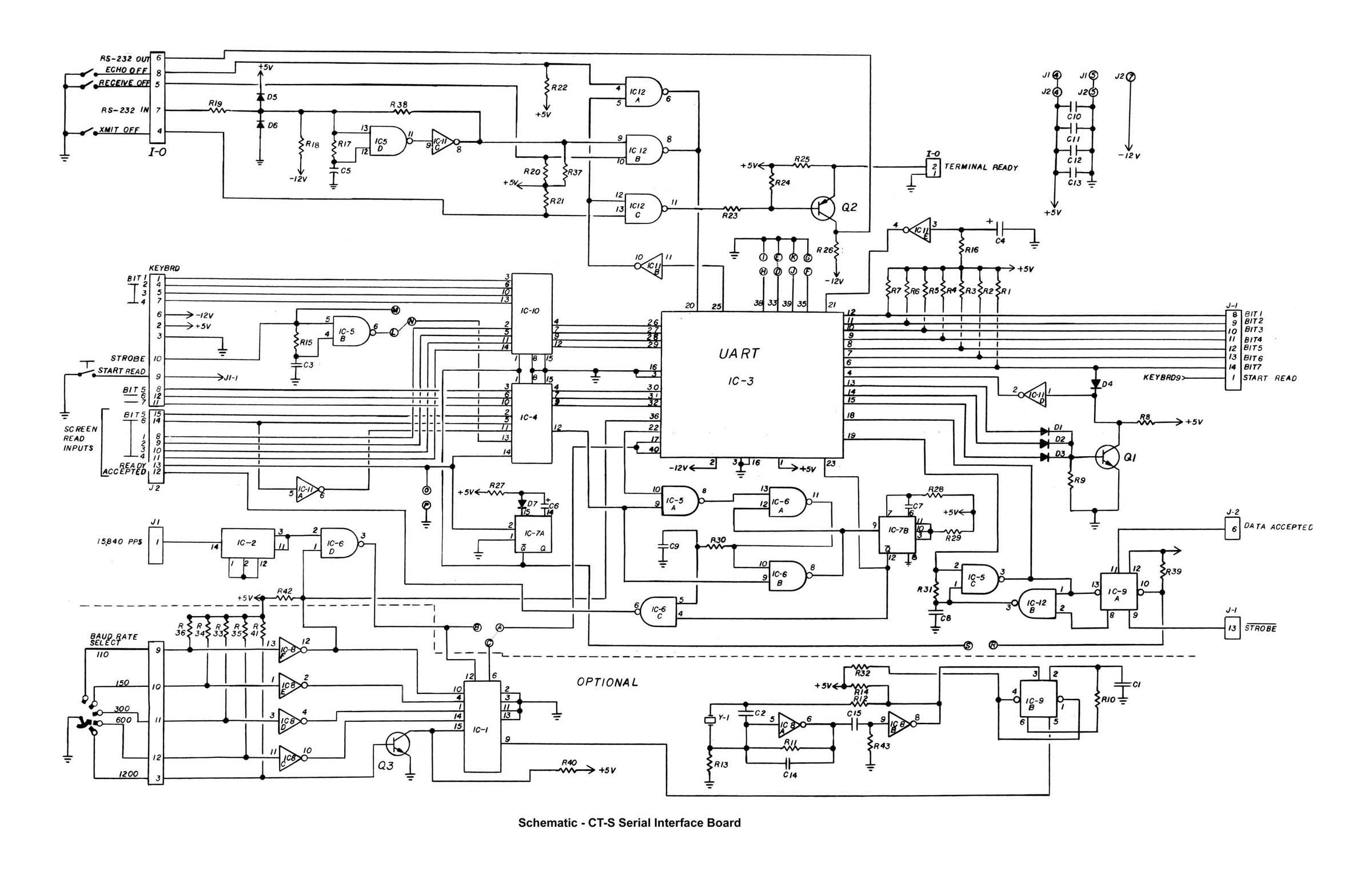
CTS_Schematic.jpg                                  10-Mar-2023 18:04              276543
CTS_foil.jpg                                       10-Mar-2023 18:04              112051